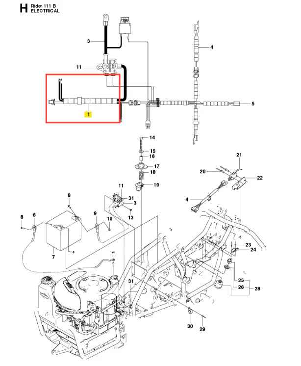
Instalacja elektryczna ridera R 111B Husqvarna
towar niedostępny
produkty renomowanych producentów
przy zamówieniach powyżej 300zł (* nie dotyczy maszyn)
Masz prawo do 30
dni na zwrot towaru
Produkte namhafter Hersteller
innerhalb 48h
METHODEN
Sie haben das Recht, die Ware innerhalb von 30 Tagen zurückzusenden
Opis
Instalacja elektryczna rajdera R 111B Husqvarna
Instalacja elektryczna ridera R 111B Husqvarna - wysokiej jakości oryginalna część producenta Husqvarna. Aktualny numer katalogowy produktu: 574269701. Szczegóły montażu dostępne w załączonym schemacie. Poniżej znajduje się lista modeli, w których ten element jest wykorzystywany.
Ridery:
HUSQVARNA R 111B
HUSQVARNA R 111B5
Instalacja elektryczna rajdera R 111B Husqvarna
Instalacja elektryczna ridera R 111B Husqvarna - wysokiej jakości oryginalna część producenta Husqvarna. Aktualny numer katalogowy produktu: 574269701. Szczegóły montażu dostępne w załączonym schemacie. Poniżej znajduje się lista modeli, w których ten element jest wykorzystywany.
Ridery:
HUSQVARNA R 111B
HUSQVARNA R 111B5
Zapytanie
Jeśli masz jakieś pytania, wątpliwości, jeśli nie możesz się zdecydować, bądź potrzebujesz pomocy przy wyborze, napisz maila: sklep@lasogrod.pl lub zadzwoń: 503-662-180 /tel. czynny od pon. do piątku 8-17/.
Bezpieczeństwo
Opinie o produkcie (0)
OPINIE KLIENTÓW
Newsletter









