Nakrętka ridera R112iC Husqvarna
towar niedostępny
produkty renomowanych producentów
przy zamówieniach powyżej 300zł (* nie dotyczy maszyn)
Masz prawo do 30
dni na zwrot towaru
Produkte namhafter Hersteller
innerhalb 48h
METHODEN
Sie haben das Recht, die Ware innerhalb von 30 Tagen zurückzusenden
Opis
Nakrętka ridera R112iC Husqvarna
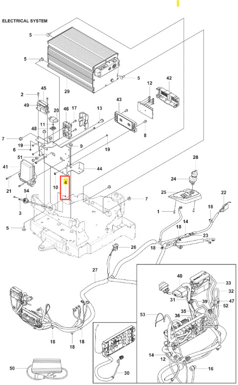
Nakrętka ridera R112iC Husqvarna - wysokiej jakości oryginalna część producenta Husqvarna. Aktualny numer katalogowy produktu: 731231001. Szczegóły montażu dostępne w załączonym schemacie. Poniżej znajduje się lista modeli, w których ten element jest wykorzystywany.
Tylny osprzęt:Zestaw gniazda zasilania, TYLNY
Agregaty hydrauliczne:
Husqvarna PP 325 E
Husqvarna PP 455 E
Przecinarki do płytek i przecinarki stolikowe:
Husqvarna TS 60
Piły ścienne:
Husqvarna WS 462
Husqvarna WS 463
Kosiarki z przednim urządzeniem tnącym:
HUSQVARNA P 525D with cabin
HUSQVARNA P 535HX
HUSQVARNA P 525DX
HUSQVARNA P 525DX z kabiną
Ridery:
HUSQVARNA R 112iC
Husqvarna R 112iC
Osprzęt HFG:
HYDRAULIC KIT P 500DX/HX
Zestaw hydrauliczny
Nakrętka ridera R112iC Husqvarna
Nakrętka ridera R112iC Husqvarna - wysokiej jakości oryginalna część producenta Husqvarna. Aktualny numer katalogowy produktu: 731231001. Szczegóły montażu dostępne w załączonym schemacie. Poniżej znajduje się lista modeli, w których ten element jest wykorzystywany.
Tylny osprzęt:Zestaw gniazda zasilania, TYLNY
Agregaty hydrauliczne:
Husqvarna PP 325 E
Husqvarna PP 455 E
Przecinarki do płytek i przecinarki stolikowe:
Husqvarna TS 60
Piły ścienne:
Husqvarna WS 462
Husqvarna WS 463
Kosiarki z przednim urządzeniem tnącym:
HUSQVARNA P 525D with cabin
HUSQVARNA P 535HX
HUSQVARNA P 525DX
HUSQVARNA P 525DX z kabiną
Ridery:
HUSQVARNA R 112iC
Husqvarna R 112iC
Osprzęt HFG:
HYDRAULIC KIT P 500DX/HX
Zestaw hydrauliczny
Zapytanie
Jeśli masz jakieś pytania, wątpliwości, jeśli nie możesz się zdecydować, bądź potrzebujesz pomocy przy wyborze, napisz maila: sklep@lasogrod.pl lub zadzwoń: 503-662-180 /tel. czynny od pon. do piątku 8-17/.
Bezpieczeństwo
Koszty dostawy
Cena nie zawiera ewentualnych kosztów płatności
Opinie o produkcie (0)
OPINIE KLIENTÓW
Newsletter









