Skrzynia biegów odśnieżarki ST 327P Husqvarna
towar niedostępny
produkty renomowanych producentów
przy zamówieniach powyżej 300zł (* nie dotyczy maszyn)
Masz prawo do 30
dni na zwrot towaru
Produkte namhafter Hersteller
innerhalb 48h
METHODEN
Sie haben das Recht, die Ware innerhalb von 30 Tagen zurückzusenden
Opis
Skrzynia biegów odśnieżarki ST 327P Husqvarna
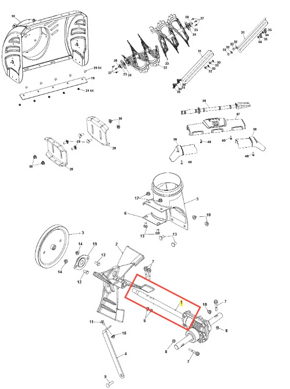
Skrzynia biegów odśnieżarki ST 327P Husqvarna - wysokiej jakości oryginalna część producenta Husqvarna. Aktualny numer katalogowy produktu: 586715001. Szczegóły montażu dostępne w załączonym schemacie. Poniżej znajduje się lista modeli, w których ten element jest również wykorzystywany.
Dmuchawy do śniegu:HUSQVARNA ST 327P
Skrzynia biegów odśnieżarki ST 327P Husqvarna
Skrzynia biegów odśnieżarki ST 327P Husqvarna - wysokiej jakości oryginalna część producenta Husqvarna. Aktualny numer katalogowy produktu: 586715001. Szczegóły montażu dostępne w załączonym schemacie. Poniżej znajduje się lista modeli, w których ten element jest również wykorzystywany.
Dmuchawy do śniegu:HUSQVARNA ST 327P
Zapytanie
Jeśli masz jakieś pytania, wątpliwości, jeśli nie możesz się zdecydować, bądź potrzebujesz pomocy przy wyborze, napisz maila: sklep@lasogrod.pl lub zadzwoń: 503-662-180 /tel. czynny od pon. do piątku 8-17/.
Bezpieczeństwo
Opinie o produkcie (0)
OPINIE KLIENTÓW
Newsletter









