Śruba regulacji pompy oleju pilarki 570 Husqvarna
towar niedostępny
produkty renomowanych producentów
przy zamówieniach powyżej 300zł (* nie dotyczy maszyn)
Masz prawo do 30
dni na zwrot towaru
Produkte namhafter Hersteller
innerhalb 48h
METHODEN
Sie haben das Recht, die Ware innerhalb von 30 Tagen zurückzusenden
Opis
Regulator pilarki 570 Husqvarna
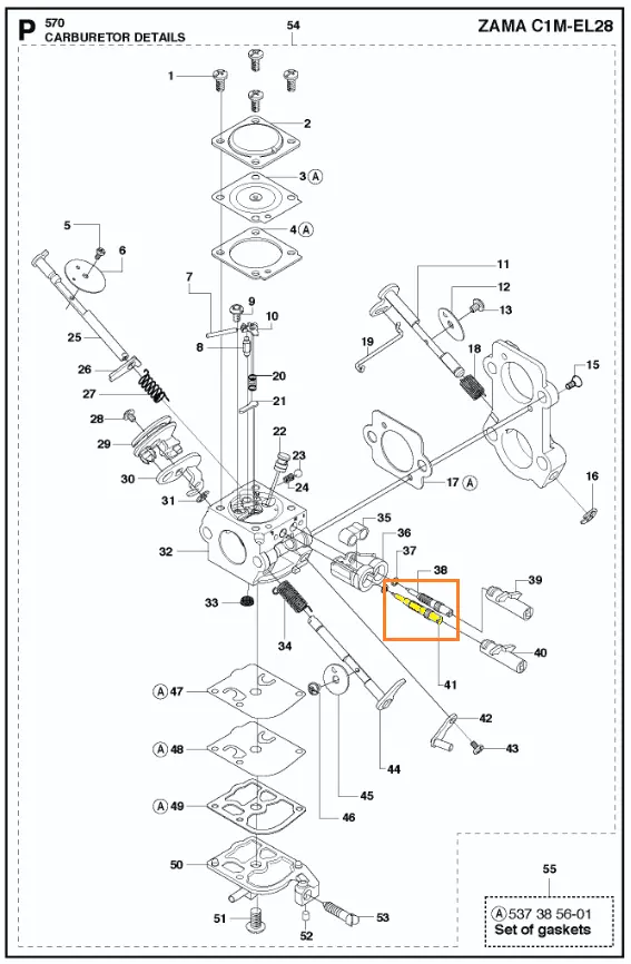
Iglica regulacji gaźnika 537383901 to oryginalna śruba regulacyjna odpowiedzialna za ustawienie mieszanki paliwowo-powietrznej na niskich obrotach w pilarkach Husqvarna. Jest to element regulacyjny oznaczony literą „L” (Low Speed), który odpowiada za stabilną pracę silnika na biegu jałowym oraz płynne przyspieszanie.a. Dokładne umiejscowienie, widoczne jest na załączonym schemacie.
Pasuje do modeli pilarek:
Husqvarna: 570, 575 XP.
Regulator pilarki 570 Husqvarna
Iglica regulacji gaźnika 537383901 to oryginalna śruba regulacyjna odpowiedzialna za ustawienie mieszanki paliwowo-powietrznej na niskich obrotach w pilarkach Husqvarna. Jest to element regulacyjny oznaczony literą „L” (Low Speed), który odpowiada za stabilną pracę silnika na biegu jałowym oraz płynne przyspieszanie.a. Dokładne umiejscowienie, widoczne jest na załączonym schemacie.
Pasuje do modeli pilarek:
Husqvarna: 570, 575 XP.
Zapytanie
Jeśli masz jakieś pytania, wątpliwości, jeśli nie możesz się zdecydować, bądź potrzebujesz pomocy przy wyborze, napisz maila: sklep@lasogrod.pl lub zadzwoń: 503-662-180 /tel. czynny od pon. do piątku 8-17/.
Bezpieczeństwo
Opinie o produkcie (0)
OPINIE KLIENTÓW
Newsletter









